UL仕様#1283に従ったTEMPEST COTS EMI パワーラインフィルター
Mil-Std 220C に準拠した全負荷下で測定した 14kHz ~ 18GHz の減衰 100dB
Tempest アプリケーションでは 14kHz ~ 18GHz で 130dB
Menu
Mil-Std 220C に準拠した全負荷下で測定した 14kHz ~ 18GHz の減衰 100dB
Tempest アプリケーションでは 14kHz ~ 18GHz で 130dB
1. フィルタは UL 仕様 #1283 に従ってリストされています。
2. 温度範囲: 動作時 -55°C ~ +85°C
3. エンクロージャは冷間圧延鋼製で、継ぎ目が連続的に溶接されています。
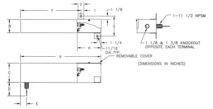
4. フィルターの接地経路接続面は錫メッキまたはステンレス鋼でなければなりません
5. 注文時に指定されれば、コンジットハブまたはクリアランスホールが提供される場合があります
6. 各位相フィルターは個別に取り外し可能
7. 内部フィルターには不燃性の含浸剤が充填され、密閉されています。
8. ご注文時にご指定いただければ、床置き用の脚をご用意することも可能です
9. 300AMP 以上のフィルターには 6 インチ x 2 インチの取り付け U チャンネルが付いています。
Mil-Std 220C に準拠した全負荷下で測定した 14kHz ~ 18GHz の減衰 100dB
Tempest アプリケーションでは 14kHz ~ 18GHz で 130dB
.jpg)
.jpg)
.jpg)


すべてのフィルター キャビネットは 3 ライン構成と 4 ライン構成でも利用可能です

.jpg)
各フィールド配線端子と接地スタッドには止めねじタイプのラグが付いています。各回路には放電抵抗が付いています。
Tempest 構成で利用可能な各フィルター
一般的
ここで説明するフィルタは、無線周波数干渉をフィルタリングし、該当する場合には軍事仕様 MIL-F-15733 の要件を満たすように設計されているものとします。これらのフィルタを他の電気デバイスと一緒に使用すると、デバイスが MIL-I-26600、MIL-I-16910、MIL-I-6181、MIL-I-11748、MIL-STO-461、462、 463、FED-STD-222、および FCC 仕様 Part18の要件を満たすことができます。また、DCA仕様およびシステムの用途向けに開発されたその他特殊な機器などもあります。
電気的
定格電流: フィルタは、周囲温度より 25°C を超えない温度上昇で最大定格電流を流すことができなければなりません。フィルタは、劣化することなく定格電流の 150% の過負荷に 15 分間耐えることができます。
電圧: フィルタは、最大定格電圧で継続的に動作でき、定格電圧の 2 倍の過電圧テストに 1 分間耐えることができます。MIL-F-15733 に従って測定した場合、最大電圧降下は 2 ボルトを超えてはなりません。最高動作温度: 85°C。
機械式
CASE: 各フィルターのインナーケースは次の材質で作られています。
CRS 16 GA min。各位相フィルターは個別に交換可能である必要があります。すべての内部フィルターは密閉されています。
端子: 端子は高温アルミナセラミック製で、漏れ防止が施されているものとします。セラミック端子には柔軟な絶縁リード線が付いており、その一端は端子に恒久的に取り付けられ、もう一端は適切なネジで固定された承認済みの難燃性スタンドオフ絶縁体に取り付けられた恒久的に固定されたラグに取り付けられています。すべての接続はスタンドオフでのみ行われます。
含浸剤: 該当する場合、含浸剤は UL および MIL-F-15733 によって分類されているように不燃性であるものとします。
構造: 入力端子と出力端子は、RF シールドされたコンパートメントで完全に囲まれている必要があります。入力および出力 RF シールド コンパートメントのカバーはネジで固定する必要があります。RF の完全性を維持するために、カバーと内側の取り付けフランジの間にガスケットを使用する必要があります。内部コンポーネントは、該当する衝撃および振動試験を受けた場合に損傷を防ぐために取り付けおよび固定されなければなりません。
仕上げ:すべてのフィルターケースはプライマーを塗装して防錆加工を施します。未仕上げの接地面はすべて、適切なメッキで保護されています。
Diamond Microwave Chambers Ltd は、防衛、宇宙および衛星、半導体および航空宇宙用途向けの電波暗室、RF 吸収体、アンテナ測定システム、RF マイクロ波およびミリ波吸収体を製造および供給しています。 DMC社 は、ターンキー プロジェクトのアンテナ測定システムの統合と試運転のために、主要な軍事および防衛プロジェクトでパートナーと緊密に連携しています。 カナダ、米国、インドの新しい製造施設により製品ポートフォリオを増やし、絶え間なく変化する RF業界を常に把握するために、ロボット工学を採用した高価値の RF アンテナ測定製品とカスタム高周波 RF システムの構築を開始しました。

★その他DMC社製品についても、お問い合わせください。