
.jpg)
【製品概要】
半導体デバイス C-V特性アナライザ TH510シリーズは、半導体材料およびコンポーネントの設計と研究のために設計された分析装置です。
TH510シリーズの半導体 C-V 特性アナライザは、デュアル CPU アーキテクチャ、Linux 基盤システム、10.1 インチ静電容量式タッチ スクリーン、英語の操作インターフェイス、組み込みの指示とヘルプなどの新世代技術を革新的に採用しています。生産ラインの自動統合と分類、および実験室の研究開発と分析に対応できます。
半導体デバイス C-V特性アナライザ TH510シリーズの設計周波数は1kHz~2MHzで、VGS電圧は±40Vに達し、VDS電圧は200V/1500Vに達します。
TH510シリーズは、従来のダイオード、三極管、MOS チューブ、IGBT などの半導体コンポーネントの CV 特性テストと分析に対応します。解像度 1280*800 の 10.1 インチ静電容量式タッチ スクリーンのおかげで、TH510 シリーズは、4つのパラメーターを表示できます。同じ画面で、すべての設定、監視、並べ替えパラメータ、ステータスなどを同じ画面表示に表示できるため、頻繁に切り替えるという面倒な操作を回避できます。
【主な特徴】
• 10.1 インチの静電容量式タッチスクリーン、解像度 1280*800、Linux システム
• デュアル CPU アーキテクチャ、最速 0.56ms (1800 回/秒) のテスト速度
• 3 つのテスト方法: スポット テスト、リスト スキャン、およびグラフィック スキャン (オプション)
• 4 つの寄生パラメータ (Ciss、Coss、Crss、Rg) が測定され、同じ画面に表示される
• 統合設計: LCR + 高電圧源 + チャネル切り替え
• 2 つのデバイスまたはデュアル チップ デバイスをテストできる標準 2 チャネル テスト
同時に、チャンネルは最大6チャンネルまで拡張でき、チャネルパラメータは個別に保存されます
• 高速充電、コンデンサの充電時間を短縮し、迅速なテストを可能にします
• 高速ターンオン テスト 導通
• 自動遅延設定
• 高バイアス: VGS: 0 - ±40V、VDS: 0 - 200V/1500V/3000V
• 10 個のビンの並べ替え
【仕様】

.jpg)
【注目すべき機能】
A.シングルスポットテスト、10.1インチの大画面、4つの寄生パラメータが同一画面に表示されるので、詳細が一目でわかります。
10.1インチのタッチスクリーン、解像度1280×800、Linuxシステム、中国語と英語の操作インターフェース、キーボード、マウス、LANインターフェースをサポートし、比類のない操作の利便性をもたらします。
MOSFET の 4 つの最も重要な寄生パラメータ: Ciss、Coss、Crss、Rg は、測定結果を同じインターフェイスに直接表示し、4 つのパラメータの等価回路図を同時に表示するので、一目でわかります。
最大 6 チャネルの測定パラメータをすばやく呼び出すことができ、並べ替え結果は同じインターフェイスに直接表示されます。
B.リストスキャン、柔軟な組み合わせ
TH510 シリーズ半導体 C-V 特性アナライザは、最大 6 チャネルと 4 つの測定パラメータのテストと解析をサポートします。
リストスキャンモードは、異なるチャネル、異なるパラメータ、異なる測定条件の任意の組み合わせに対応し、制限範囲の設定と測定結果の表示が可能です。
C.グラフィックスキャン機能(オプション)
TH510 シリーズ半導体 C-V 特性アナライザは C-V 特性曲線分析をサポートし、対数的および線形的な方法で曲線スキャンを実現でき、同時に複数の曲線を表示できます: 同じパラメータと異なる複数の曲線
Vg; 同じ Vg でパラメータが異なる複数の曲線。
D. シンプルで迅速なセットアップ
パラメータは任意に選択でき、オンとオフを切り替えることができます. パラメータをオフにすると、時間とデータ転送を効果的に節約できます. 遅延時間は自動的にまたは単独で設定できます. ゲート抵抗はドレインソース短絡またはドレインから選択できます。
スポットテスト設定インターフェース
グラフィカルな設定インターフェイスを使用すると、機能パラメータは一目で回路図の設定に対応します。
CVスキャン設定インターフェース
E.10 BINS ソートとプログラム可能な HANDLER インターフェイス
この機器は、顧客の製品品質分類の可能性を提供する 10 段階の分類を提供し、分類結果は HANDLER インターフェイスに直接出力されます。
オートメーション機器との接続において、HANDLERインターフェースの出力設定をどうするかは、オートメーションのお客様にとって常に難しい課題でしたが、TH510シリーズは、HANDLERインターフェースのピン位置、入出力方法、対応する信号、応答方法を完全に可視化し、自動接続をより簡単にします。
.jpg)
]
F.サポートのカスタマイズ、インテリジェントなファームウェアのアップグレード
Tonghui Instrumentは顧客に開かれています.機器のすべてのインターフェースと命令セットはオープン設計です.顧客は統合をプログラムしたり、機能をカスタマイズしたりできます.カスタマイズされた機能にハードウェアの変更がない場合,ファームウェアのアップグレードを通じて直接更新できます.
機器自体の機能も充実しており、バグの解消や機能アップなど、工場に戻らずにファームウェア(Firmware)のバージョンアップで対応可能です。
ファームウェアのアップグレードは非常にインテリジェントで、システム設定インターフェイスまたはファイル管理インターフェイスを介して実行でき、機器のメモリ、外部 USB フラッシュ ドライブ、またはローカル エリア ネットワークのアップグレード パッケージをインテリジェントに検索し、自動的にアップグレードできます。
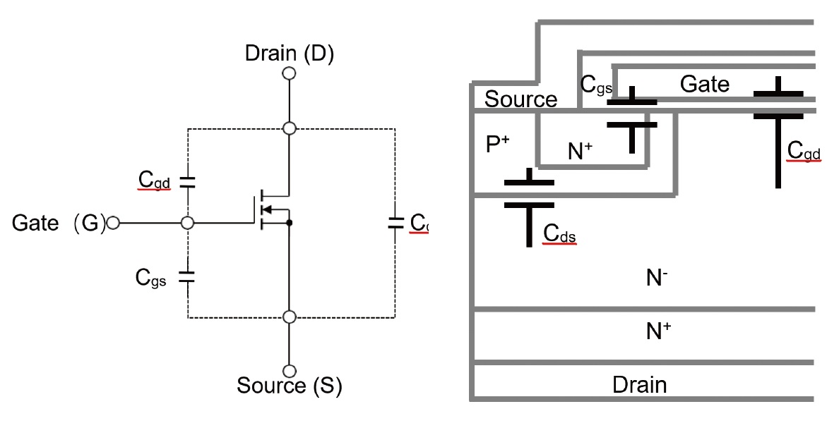
G. 半導体部品の寄生容量に関する知識
高周波回路では、半導体デバイスの寄生容量が半導体の動特性に影響を与えることが多いため、半導体部品を設計する際には以下の要因を考慮する必要があります。
高周波回路の設計では、ダイオード接合容量の影響を考慮する必要があることがよくあります.MOS管の寄生容量は、動作時間、駆動能力、管のスイッチング損失などの多くの側面に影響します.寄生容量の電圧依存性は回路設計にもありますが、重要なのはMOSFETを例にとることです。
| パラメータ | 説明 | 試験原理 |
| Ciss | 入力容量 | ドレイン - ソース間ショート、AC 信号で測定したゲートとソース間の静電容量、Ciss = Cgs + Cgd |
| Coss | 出力コンデンサ | ゲートからソースへの短絡、ドレインとソース間の静電容量を AC 信号で測定、Coss = Cds + Cgd |
| Crss | 逆伝達容量 | ソースは接地され、AC モデルで測定されたドレインとゲート間の静電容量 (ミラー静電容量とも呼ばれます) は、ゲート-ドレイン静電容量に相当します. Crss = Cgd |
| Rg | ゲート入力抵抗 | Rg は、ドレイン - ソース間ショートとして定義され、場合によってはオープン ドレインとして定義されます。 |
【アプリケーション】
• 半導体部品・パワー部品
ダイオード、三極管、MOSFET、IGBT、サイリスタ、集積回路、光電子チップなどの寄生容量試験と C-V 特性解析。
• 半導体材料
ウエハーダイシング、C-V特性解析
• 液晶材料
性定数解析